Holybro Pixhawk 6X-RT
WARNING
PX4 does not manufacture this (or any) autopilot. Contact the manufacturer for hardware support or compliance issues.
Pixhawk 6X-RT® is the latest update to the successful family of Pixhawk® flight controllers designed and made in collaboration with Holybro®, NXP's mobile robotics team and the PX4 team based on NXP's open source reference design.
It is based on the Pixhawk® Autopilot FMUv6X Standard, Autopilot Bus Standard, and Connector Standard.
Equipped with a high performance NXP i.mx RT1176 dual core Processor, modular design, triple redundancy, temperature-controlled IMU board, isolated sensor domains, delivering incredible performance, reliability, and flexibility.

TIP
This autopilot is supported by the PX4 maintenance and test teams.
Introduction
Inside the Pixhawk® 6X-RT, you can find an NXP i.mx RT1176, paired with sensor technology from Bosch®, InvenSense®, giving you flexibility and reliability for controlling any autonomous vehicle, suitable for both academic and commercial applications.
The Pixhawk® 6X-RT's i.mx RT1176 Crossover dual-core MCU contain an Arm® Cortex®-M7 core running up to 1GHz and Arm® Cortex®-M4 core running up to 400MHz, has 2MB SRAM and external XIP Flash with 64MB. The PX4 Autopilot takes advantage of the increased power and RAM. Thanks to the increased processing power, developers can be more productive and efficient with their development work, allowing for complex algorithms and models.
The FMUv6X open standard includes high-performance, low-noise IMUs on board, designed for better stabilization. Triple redundant IMU & double redundant barometer on separate buses. When PX4 detects a sensor failure, the system seamlessly switches to another to maintain flight control reliability.
An independent LDO powers every sensor set with independent power control. A vibration isolation System to filter out high-frequency vibration and reduce noise to ensure accurate readings, allowing vehicles to reach better overall flight performances.
External sensor bus (SPI5) has two chip select lines and data-ready signals for additional sensors and payload with SPI-interface, and with an integrated Microchip Ethernet PHY, high-speed communication with mission computers via ethernet is now possible.
The Pixhawk® 6X-RT is perfect for developers at corporate research labs, startups, academics (research, professors, students), and commercial application.
Key Design Points
- High performance NXP i.MX RT1170 1GHz Crossover MCU with Arm® Cortex® cores
- Hardware secure element NXP EdgeLock SE051 an extension to the widely trusted EdgeLock SE050 Plug & Trust secure element family, supports applet updates in the field and delivers proven security certified to CC EAL 6+, with AVA_VAN.5 up to the OS level, for strong protection against the most recent attack scenarios. E.g, to securely store operator ID or certificates.
- Modular flight controller: separated IMU, FMU, and Base system connected by a 100-pin & a 50-pin Pixhawk® Autopilot Bus connector.
- Redundancy: 3x IMU sensors & 2x Barometer sensors on separate buses
- Triple redundancy domains: Completely isolated sensor domains with separate buses and separate power control
- Newly designed vibration isolation system to filter out high frequency vibration and reduce noise to ensure accurate readings
- Ethernet interface for high-speed mission computer integration
- IMUs are temperature-controlled by onboard heating resistors, allowing optimum working temperature of IMUs
Processors & Sensors
- FMU Processor: NXP i.MX RT1176
- 32 Bit Arm® Cortex®-M7, 1GHz
- 32 Bit Arm® Cortex®-M4, 400MHz secondary core
- 64MB external flash memory
- 2MB RAM
- NXP EdgeLock SE051 hardware secure element
- IEC62443-4-2 certified for the applicable requirements
- 46 kB user memory with personalization options to go up to 104 kB
- Groundbreaking CC EAL6+ certified solution for IoT deployments
- AES and 3DES encryption and decryption
- IO Processor: STM32F100
- 32 Bit Arm® Cortex®-M3, 24MHz, 8KB SRAM
- On-board sensors
- Accel/Gyro: ICM-20649 or BMI088
- Accel/Gyro: ICM-42688-P
- Accel/Gyro: ICM-42670-P
- Mag: BMM150
- Barometer: 2x BMP388
Electrical data
- Voltage Ratings:
- Max input voltage: 6V
- USB Power Input: 4.75~5.25V
- Servo Rail Input: 0~36V
- Current Ratings:
TELEM1output current limiter: 1.5A- All other port combined output current limiter: 1.5A
Mechanical data
- Dimensions
- Flight Controller Module: 38.8 x 31.8 x 14.6mm
- Standard Baseboard: 52.4 x 103.4 x 16.7mm
- Mini Baseboard: 43.4 x 72.8 x 14.2 mm
- Weight
- Flight Controller Module: 23g
- Standard Baseboard: 51g
- Mini Baseboard: 26.5g
Interfaces
16- PWM servo outputs
R/C input for Spektrum / DSM
Dedicated R/C input for PPM and S.Bus input
Dedicated analog / PWM RSSI input and S.Bus output
4 general purpose serial ports
- 3 with full flow control
- 1 with separate 1.5A current limit (Telem1)
- 1 with I2C and additional GPIO line for external NFC reader
2 GPS ports
- 1 full GPS plus Safety Switch Port
- 1 basic GPS port
1 I2C port
1 Ethernet port
- Transformerless Applications
- 100Mbps
1 SPI bus
- 2 chip select lines
- 2 data-ready lines
- 1 SPI SYNC line
- 1 SPI reset line
2 CAN Buses for CAN peripheral
- CAN Bus has individual silent controls or ESC RX-MUX control
2 Power input ports with SMBus
- 1 AD & IO port
- 2 additional analog input
- 1 PWM/Capture input
- 2 Dedicated debug and GPIO lines
Other Characteristics:
- Operating & storage temperature: -40 ~ 85°c
Where to Buy
Order from Holybro.
Assembly/Setup
The Pixhawk 6X Wiring Quick Start provides instructions on how to assemble required/important peripherals including GPS, Power Module etc.
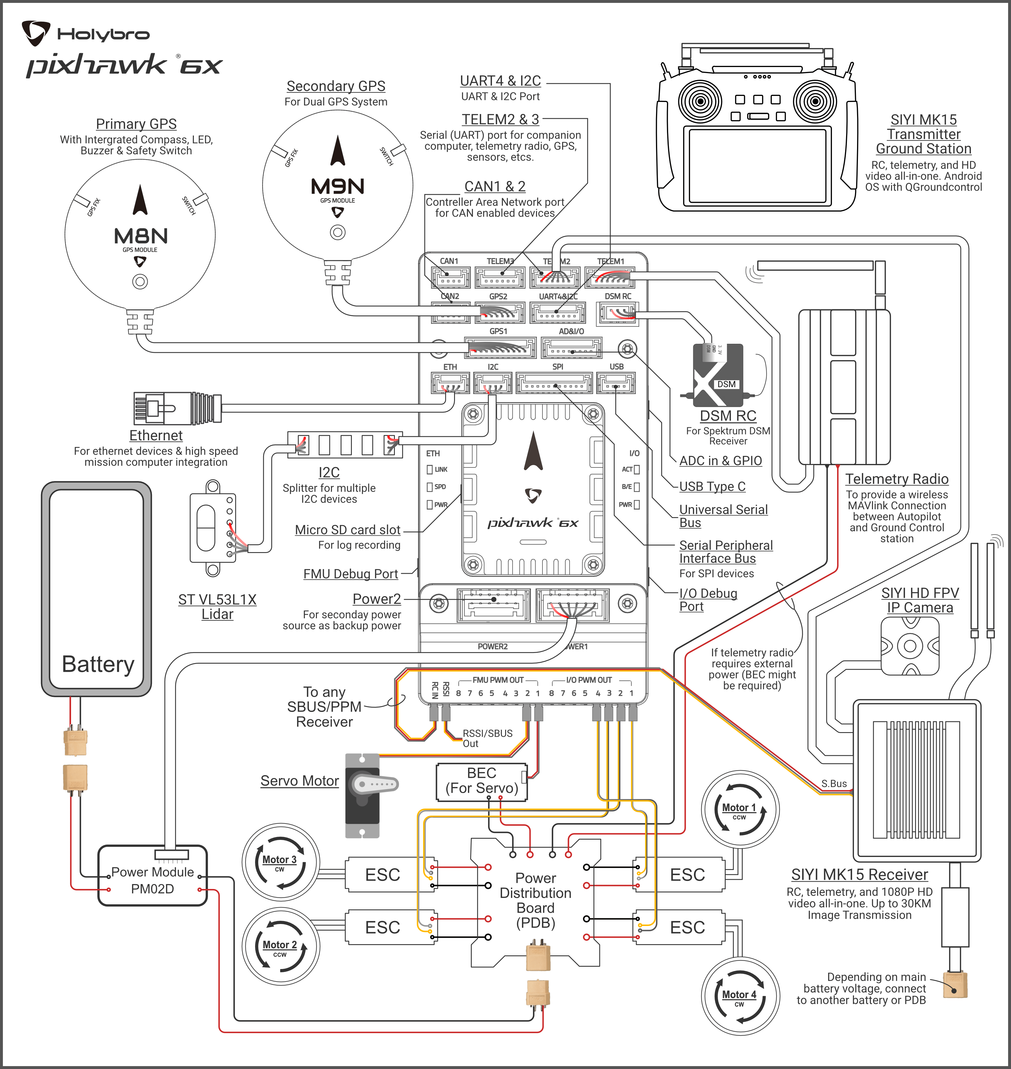
Connections
Sample Wiring Diagram

Pinouts
Notes:
- The camera capture pin (
PI0) is pin 2 on the AD&IO port, marked above asFMU_CAP1.
Serial Port Mapping
| UART | Device | Port |
|---|---|---|
| UART1 | /dev/ttyS0 | Debug |
| UART3 | /dev/ttyS1 | GPS |
| UART4 | /dev/ttyS2 | TELEM1 |
| UART5 | /dev/ttyS3 | GPS2 |
| UART6 | /dev/ttyS4 | PX4IO |
| UART8 | /dev/ttyS5 | TELEM2 |
| UART10 | /dev/ttyS6 | TELEM3 |
| UART11 | /dev/ttyS7 | External |
Dimensions
Voltage Ratings
Pixhawk 6X-RT can be triple-redundant on the power supply if three power sources are supplied. The three power rails are: POWER1, POWER2 and USB. The POWER1 & POWER2 ports on the Pixhawk 6X uses the 6 circuit 2.00mm Pitch CLIK-Mate Wire-to-Board PCB Receptacle.
Normal Operation Maximum Ratings
Under these conditions all power sources will be used in this order to power the system:
- POWER1 and POWER2 inputs (4.9V to 5.5V)
- USB input (4.75V to 5.25V)
Absolute Maximum Ratings
Under these conditions the system will not draw any power (will not be operational), but will remain intact.
- POWER1 and POWER2 inputs (operational range 4.1V to 5.7V, 0V to 10V undamaged)
- USB input (operational range 4.1V to 5.7V, 0V to 6V undamaged)
- Servo input: VDD_SERVO pin of FMU PWM OUT and I/O PWM OUT (0V to 42V undamaged)
Voltage monitoring
Digital I2C battery monitoring is enabled by default (see Quickstart > Power).
INFO
Analog battery monitoring via an ADC is not supported on this particular board, but may be supported in variations of this flight controller with a different baseboard.
Building Firmware
TIP
Most users will not need to build this firmware! It is pre-built and automatically installed by QGroundControl when appropriate hardware is connected.
To build PX4 for this target:
sh
make px4_fmu-v6xrt_defaultDebug Port
The PX4 System Console and SWD interface run on the FMU Debug port.
The pinouts and connector comply with the Pixhawk Debug Full interface defined in the Pixhawk Connector Standard interface (JST SM10B connector).
| Pin | Signal | Volt |
|---|---|---|
| 1 (red) | Vtref | +3.3V |
| 2 (blk) | Console TX (OUT) | +3.3V |
| 3 (blk) | Console RX (IN) | +3.3V |
| 4 (blk) | SWDIO | +3.3V |
| 5 (blk) | SWCLK | +3.3V |
| 6 (blk) | SWO | +3.3V |
| 7 (blk) | NFC GPIO | +3.3V |
| 8 (blk) | PH11 | +3.3V |
| 9 (blk) | nRST | +3.3V |
| 10 (blk) | GND | GND |
For information about using this port see:
- SWD Debug Port
- PX4 System Console (Note, the FMU console maps to USART3).
Peripherals
Supported Platforms / Airframes
Any multicopter / airplane / rover or boat that can be controlled with normal RC servos or Futaba S-Bus servos. The complete set of supported configurations can be seen in the Airframes Reference.